🔴 Unlock Your Ride's Brilliance: '03 350z Headlight Wiring Diagram' Demystified!

Discover the intricate wiring schematics of '03 350z Headlight Wiring Diagram'—unravel the blueprint behind your vehicle's illuminating system for optimal performance.

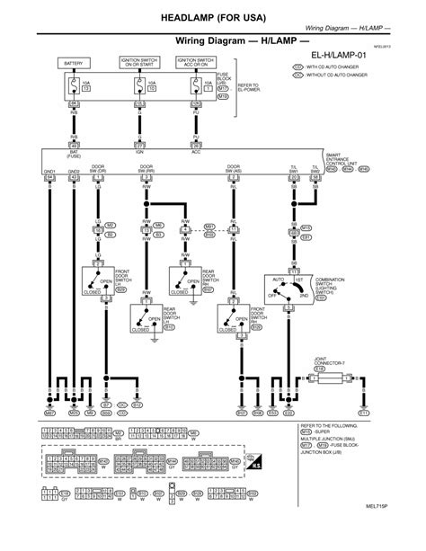
In the realm of automotive DIY enthusiasts, the intricacies of 03 350z Headlight Wiring Diagrams hold a place of paramount importance. Akin to deciphering a complex blueprint, these diagrams serve as the roadmap for ensuring the proper functionality and maintenance of one's vehicle lighting system. From the initial spark of electrical current to the illumination of the road ahead, every connection and component plays a pivotal role in the orchestration of this vital automotive feature.As we delve into the realm of wiring diagrams and schematic topics, we embark on a journey that unveils the meticulous engineering behind the 03 350z headlight system. Each wire meticulously placed, each connection meticulously crafted, these diagrams offer not only a glimpse into the technical prowess of automotive engineers but also empower enthusiasts to navigate the intricacies of their vehicle's electrical systems with precision and confidence.

Unlock Your Ride

Wiring diagrams and schematic topics are essential elements in understanding the electrical systems of vehicles. In this article, we'll delve into the intricacies of 03 350z Headlight Wiring Diagrams, exploring their significance and how they contribute to the functionality of a vehicle's lighting system.

Understanding Wiring Diagrams

Understanding Wiring Diagrams

Wiring diagrams serve as visual representations of a vehicle's electrical system, depicting the connections between various components. These diagrams utilize symbols to represent different electrical components, wires, and their respective connections. Understanding these symbols is crucial in deciphering the wiring diagram accurately.

Importance of Schematics

Importance of Schematics

Schematics provide a detailed overview of the electrical circuits within a vehicle, illustrating the flow of electricity and the interaction between different components. They offer valuable insights into the functionality of the vehicle's electrical system, enabling technicians to diagnose and troubleshoot issues effectively.

Anatomy of a Wiring Diagram

Anatomy of a Wiring Diagram

A typical wiring diagram comprises various elements, including wires, connectors, switches, relays, and components such as headlights, taillights, and indicators. Each element is represented by a specific symbol, aiding in the interpretation of the diagram.

Interpreting Symbols

Interpreting Symbols

Understanding the symbols used in wiring diagrams is essential for accurate interpretation. Symbols represent various electrical components and their respective functions. Common symbols include lines for wires, circles for connectors, squares for switches, and triangles for relays.

Identifying Components

Identifying Components

Wiring diagrams facilitate the identification of components within a vehicle's electrical system. By following the circuit paths depicted in the diagram, technicians can locate specific components and their corresponding wiring connections.

Troubleshooting with Diagrams

Troubleshooting with Diagrams

Wiring diagrams play a crucial role in troubleshooting electrical issues within a vehicle. By referring to the diagram and tracing the electrical circuits, technicians can pinpoint potential faults and rectify them efficiently.

Ensuring Proper Functionality

Ensuring Proper Functionality

Ultimately, wiring diagrams contribute to ensuring the proper functionality of a vehicle's electrical system, including the headlights. By understanding and utilizing these diagrams effectively, technicians can uphold the performance and safety standards of the vehicle.

Conclusion:

As we conclude our exploration of 03 350z Headlight Wiring Diagrams, it's essential to recognize the invaluable role these diagrams play in understanding and maintaining the electrical systems of vehicles. By deciphering the intricacies of wiring diagrams and schematics, enthusiasts and technicians alike gain a deeper insight into the functionality of their vehicles' lighting systems.

Whether you're a seasoned DIY enthusiast or a professional technician, 03 350z Headlight Wiring Diagrams offer a comprehensive blueprint for ensuring the proper functionality and maintenance of your vehicle's headlights. By leveraging the information provided in these diagrams, you can navigate the complexities of your vehicle's electrical system with confidence, ultimately enhancing both the performance and safety of your 350z.

Keyword:03 350z Headlight Wiring Diagram

Related Keywords:Electrical System, Wiring Diagrams, Headlight Wiring, schematic topics, 03 350z, vehicle's lighting, vehicle's headlights


0 komentar