🎉 07 Yamaha R1 Fuse Box: Unraveling Electrical Power

Discover the intricacies of the 07 Yamaha R1 Fuse Box with detailed wiring diagrams and schematics. Explore essential insights into motorcycle electrical systems.

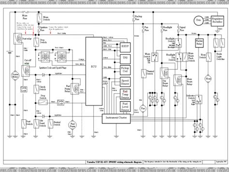
The 07 Yamaha R1 Fuse Box holds a critical position within the electrical system of the motorcycle, serving as a central hub for managing electrical connections and safeguarding circuits from overload. Understanding its configuration and function is paramount for maintaining optimal performance and ensuring safety during operation. In this article, we delve into the intricate world of wiring diagrams and schematics relevant to the 07 Yamaha R1 Fuse Box. Through detailed examination, we elucidate the intricacies of electrical pathways and component interactions, offering insights into the inner workings of this essential motorcycle component. By exploring wiring diagrams and schematics, riders and enthusiasts alike can gain a comprehensive understanding of the electrical infrastructure, empowering them to troubleshoot issues effectively and make informed decisions regarding maintenance and modifications.

07 Yamaha R1 Fuse Box: Unraveling Electrical Power

Introduction to Wiring Diagrams and Schematics

Introduction to Wiring Diagrams and Schematics

Wiring diagrams and schematics play a crucial role in understanding the intricate electrical systems of vehicles, including motorcycles like the 07 Yamaha R1. These diagrams provide a visual representation of the electrical connections and components within the system, allowing technicians and enthusiasts to analyze and troubleshoot potential issues effectively.

Understanding the Basics

Understanding the Basics

Before delving into the specifics of the 07 Yamaha R1 Fuse Box, it's essential to grasp the fundamental principles of wiring diagrams and schematics. These documents use standardized symbols to represent various electrical components, such as switches, relays, and wires, facilitating clear communication and interpretation.

Components of Wiring Diagrams

Components of Wiring Diagrams

Wiring diagrams typically include several key components, each denoted by a unique symbol. These components may include power sources, such as batteries or alternators, as well as loads, such as lights or motors. Understanding the function and interconnection of these components is essential for deciphering wiring diagrams.

Analyzing Circuit Paths

Analyzing Circuit Paths

One of the primary purposes of wiring diagrams is to illustrate the flow of electricity through a circuit. By tracing circuit paths from the power source to the various loads and back, technicians can identify potential points of failure or voltage drops, aiding in troubleshooting and repair efforts.

Interpreting Wiring Diagram Symbols

Interpreting Wiring Diagram Symbols

Wiring diagrams utilize standardized symbols to represent electrical components and connections. Familiarizing oneself with these symbols is crucial for accurately interpreting diagrams and understanding the relationships between different components within the electrical system.

Benefits of Schematics

Benefits of Schematics

Schematics provide a more detailed and comprehensive view of the electrical system compared to wiring diagrams. These diagrams include additional information, such as wire colors, connector types, and component locations, making them invaluable resources for complex troubleshooting and repair tasks.

Application to 07 Yamaha R1 Fuse Box

Application to 07 Yamaha R1 Fuse Box

Applying the principles of wiring diagrams and schematics to the 07 Yamaha R1 Fuse Box enables riders and technicians to gain a deeper understanding of its functionality and connections within the motorcycle's electrical system. By analyzing diagrams specific to this component, individuals can diagnose issues and perform maintenance with precision.

Conclusion

Conclusion

In conclusion, wiring diagrams and schematics are indispensable tools for understanding and troubleshooting electrical systems, including the 07 Yamaha R1 Fuse Box. By mastering the interpretation of these documents, individuals can ensure the optimal performance and safety of their vehicles.

Conclusion:

Thank you for exploring our in-depth analysis of the 07 Yamaha R1 Fuse Box and its intricacies within the motorcycle's electrical system. We trust that our comprehensive examination of wiring diagrams and schematics has provided valuable insights into understanding and maintaining this critical component. By delving into the fundamentals of electrical pathways and component interactions, we aimed to empower riders and enthusiasts alike to navigate the complexities of their vehicles with confidence and precision.

In closing, we encourage you to continue exploring our blog for additional resources and insights on motorcycle maintenance and repair, including further discussions on 07 Yamaha R1 Fuse Box and related electrical topics. Whether you're a seasoned rider or a novice enthusiast, our goal is to provide you with the knowledge and tools necessary to ensure the optimal performance and safety of your Yamaha R1 motorcycle. Stay tuned for future updates and articles designed to enhance your understanding and enjoyment of the Yamaha R1 riding experience.

Keyword:07 Yamaha R1 Fuse Box

Related Keywords:Troubleshooting, Wiring Diagrams, Electrical Systems, Motorcycle Maintenance, Fuse Box, schematics, Yamaha R1


0 komentar