👀 Unlock the Power: 07 Civic Wiring Diagram Demystified!

Discover the intricacies of the 07 Civic Wiring Diagram – your essential guide to understanding automotive electrical systems. Click now for expert insights!

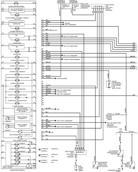
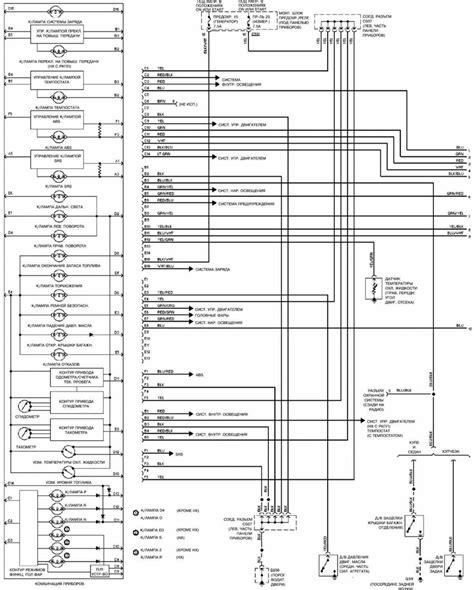
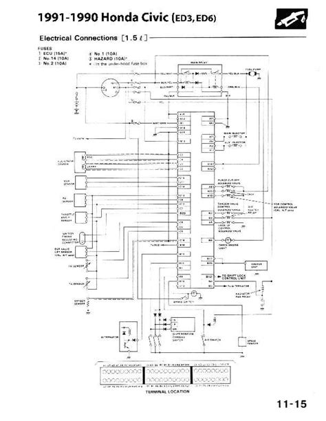
In the intricate world of automotive engineering, the 07 Civic Wiring Diagram stands as a crucial blueprint, guiding technicians and enthusiasts alike through the labyrinth of electrical circuits within the 2007 Honda Civic. Serving as the foundational document for understanding the intricacies of the vehicle's electrical system, this wiring diagram encompasses a comprehensive visual representation of the intricate network of wires, connectors, and components that facilitate the Civic's functionality. As we delve into this article, we embark on a journey to unravel the complexities of automotive wiring diagrams, exploring their significance in troubleshooting, maintenance, and modification endeavors. From deciphering color codes to understanding circuit pathways, we navigate through this intricate realm with the aim of shedding light on the 07 Civic Wiring Diagram and its broader implications within the automotive landscape.

Unlock the Power: 07 Civic Wiring Diagram Demystified!

Wiring diagrams and schematics play a vital role in understanding the intricate electrical systems of vehicles like the 07 Civic. Let's delve into the world of 07 Civic Wiring Diagrams to unravel their significance and how they facilitate maintenance, troubleshooting, and modifications.

Understanding Wiring Diagrams

Understanding Wiring Diagrams

Wiring diagrams are visual representations of the electrical circuits within a vehicle. They utilize symbols to depict connections between components, wires, and connectors. Understanding these diagrams is essential for identifying potential issues and efficiently repairing electrical systems.

Deciphering Color Codes

Deciphering Color Codes

Color codes are integral to wiring diagrams, indicating the purpose and function of wires. By deciphering these codes, technicians can trace and diagnose electrical problems accurately. Each color corresponds to a specific component or function, ensuring efficient troubleshooting.

Identifying Circuit Pathways

Identifying Circuit Pathways

Circuit pathways delineate the flow of electricity within a vehicle's electrical system. Wiring diagrams illustrate these pathways, guiding technicians in understanding how current travels between various components. This insight is crucial for diagnosing faults and ensuring proper functioning of the system.

Locating Connectors and Components

Locating Connectors and Components

Connectors and components are represented in wiring diagrams with specific symbols and labels. By referencing these diagrams, technicians can locate and inspect individual components, facilitating efficient repairs and replacements. Understanding the layout of connectors aids in ensuring proper connections and preventing electrical issues.

Tracing Electrical Circuits

Tracing Electrical Circuits

Tracing electrical circuits involves following the pathways depicted in wiring diagrams to identify and resolve issues. Technicians utilize these diagrams to trace the flow of current, pinpointing areas of concern such as damaged wires or faulty components. This systematic approach streamlines the troubleshooting process and minimizes downtime.

Performing Modifications

Performing Modifications

Modifications to a vehicle's electrical system often require referencing wiring diagrams. Whether installing aftermarket components or customizing features, technicians rely on these diagrams to ensure compatibility and proper integration. By understanding the existing wiring layout, modifications can be executed safely and effectively.

Ensuring Safety Compliance

Ensuring Safety Compliance

Safety compliance is paramount when working on electrical systems, especially in vehicles. Wiring diagrams aid technicians in adhering to safety standards by providing insights into proper wiring practices and component placement. This ensures that modifications or repairs meet regulatory requirements and minimize the risk of electrical hazards.

Conclusion

Conclusion

In conclusion, 07 Civic Wiring Diagrams are indispensable tools for understanding and maintaining the electrical systems of vehicles. From decoding color codes to tracing circuit pathways, these diagrams provide valuable insights for technicians, ensuring efficient repairs and modifications while prioritizing safety compliance.

Conclusion:

Thank you for exploring our in-depth discussion on 07 Civic Wiring Diagrams. We hope this article has provided you with valuable insights into the intricate world of automotive electrical systems. By understanding the importance of wiring diagrams and schematics, you gain a deeper appreciation for the meticulous engineering behind vehicles like the 07 Civic.

In your journey of vehicle maintenance and customization, 07 Civic Wiring Diagrams serve as indispensable resources, guiding you through troubleshooting, modifications, and safety compliance. Whether you're a seasoned technician or an enthusiast looking to delve into the intricacies of your vehicle's electrical system, these diagrams offer a comprehensive roadmap for understanding and maintaining your 07 Civic. Remember, the key to efficient repairs and modifications lies in harnessing the power of wiring diagrams, ensuring the smooth functioning and safety of your vehicle for years to come.

Keyword:07 Civic Wiring Diagram

Related Keywords:Troubleshooting, Wiring Diagrams, Electrical Systems, Modifications, Safety Compliance, 07 Civic


0 komentar